格力电器获得发明专利授权:“一种充电电路、充电控制方法及双向DC/DC变换器”
证券之星消息,根据天眼查APP数据显示格力电器(000651)新获得一项发明专利授权,专利名为“一种充电电路、充电控制方法及双向DC/DC变换器”,专利申请号为CN202111217667.3,授权日为2025年8月5日。

图片来源于网络,如有侵权,请联系删除
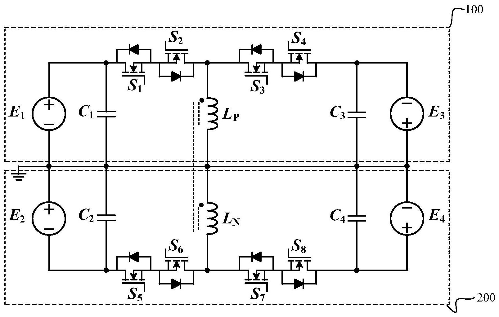
专利摘要:本发明公开一种充电电路、充电控制方法及双向DC/DC变换器。其中,该充电电路,应用于双向DC/DC变换器,其中包括:充电模块,其第一端连接所述双向DC/DC变换器的第一侧的第一母线电容的正极,其第二端连接所述双向DC/DC变换器的第二侧的第二母线电容的正极,其第三端连接所述双向DC/DC变换器的第二侧的直流母线的正极端子;所述充电模块用于为所述第一母线电容和所述第二母线电容充电。通过本发明,能够实现双向DC/DC变换器的双向软启动,解决了目前双向DC/DC变换器在低压侧没有电时无法完成软启动的问题。

图片来源于网络,如有侵权,请联系删除
今年以来格力电器新获得专利授权4181个,较去年同期减少了1.83%。结合公司2024年年报财务数据,2024年公司在研发方面投入了69.04亿元,同比增2.1%。
通过天眼查大数据分析,珠海格力电器股份有限公司共对外投资了101家企业,参与招投标项目28356次;财产线索方面有商标信息8147条,专利信息115713条,著作权信息297条;此外企业还拥有行政许可830个。
数据来源:天眼查APP
以上内容为证券之星据公开信息整理,由AI算法生成(网信算备310104345710301240019号),不构成投资建议。
目录 返回
首页
